NST012012002
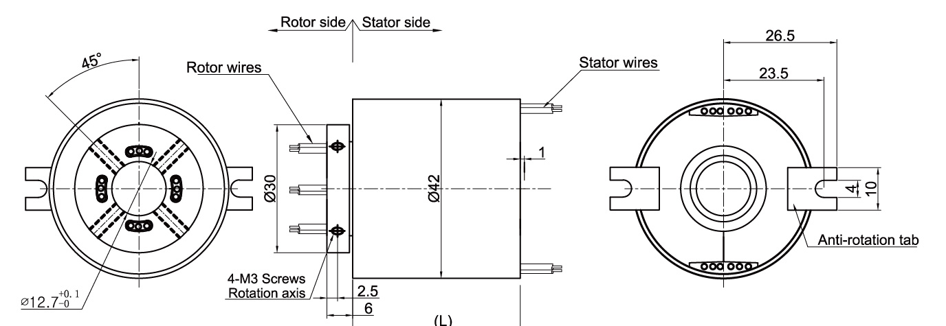
标准系列一体化精密导电滑环,紧凑设计,外径42mm,孔径12-13mm。


订购型号说明

选型表
| 型号 | 滑道数量(5A)* | 长度(mm) |
|---|---|---|
| NST012002002 | 2 | 25.4 |
| NST012003002 | 3 | 25.4 |
| NST012004002 | 4 | 25.4 |
| NST012006002 | 6 | 25.4 |
| NST012008002 | 8 | 39.2 |
| NST012010002 | 10 | 39.2 |
| NST012012002 | 12 | 39.2 |
N个5A环并联可作为1路N*5A使用。例如:2个5A环并联可作为1路10A。如有特殊需求,请联系客服。
技术规格参数
| 机械技术指标 | 电气技术指标 | |||
|---|---|---|---|---|
| 参数 | 数值 | 参数 | 数值 | |
| 电源 | 信号 | |||
| 设计寿命 | 5000万转* (可定制更长寿命) |
额定电压 | 0~690V交直流 | 0~440V交直流 |
| 额定转速 | 0~400转/分钟 | 绝缘电阻 | 1000MΩ/500VDC | 1000MΩ/500VDC |
| 工作温度 | -40℃~80℃ | 导线规格 | AWG16#铁氟龙线 (可定制) |
AWG22#铁氟龙线 (可定制) |
| 工作湿度 | 0~85%相对湿度 | 导线长度 | 标准长度1000mm(可调整) | |
| 接触材料 | 银-银 | 绝缘强度 | 1000VAC@50Hz,60秒 | |
| 外壳材料 | 工程塑料 | 动态电阻变化 | <0.01Ω | |
| 扭矩 | 0.1牛·米 +0.03牛·米/6环 | |||
| 防护等级 | IP51~IP68 | |||
各环路导线色码表
| 环号 | 1 | 2 | 3 | 4 | 5 | 6 | 7 | 8 | 9 | 10 | 11 | 12 |
| 颜色 | 蓝/透明 | 黑/透明 | 浅绿 | 紫/透明 | 红/透明 | 棕/透明 | 浅棕 | 灰 | 紫 | 黄/透明 | 粉红 | 绿/透明 |
| 环号 | 13 | 14 | 15 | 16 | 17 | 18 | 19 | 20 | 21 | 22 | 23 | 24 |
| 颜色 | 蓝 | 绿 | 黄 | 白 | 黑 | 红 | 浅蓝 | 黄/绿 | 灰/棕 | 透明 | 棕 | 橙 |
非标定制可选项
以下特殊需求可定制。相应地,交货期将延长3至15天,成本将增加30%至50%。我们的大部分基础部件为标准模块化设计,可节省成本和交货时间。
如有特殊需求,请联系客服
让我们建立合作吧!
开始合作
如需上传文件,
请先点击验证
联系我们