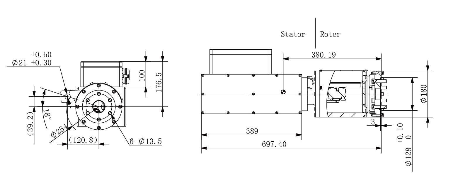
NSW389.3002
产品主要特点


订购型号说明

技术规格参数
| 机械技术指标 | 电气技术指标 | |||
|---|---|---|---|---|
| 参数 | 数值 | 参数 | 数值 | |
| 功率 | 信号 | |||
| 设计寿命 | 1.2亿转 | 额定电压 | 0~1200V交直流 | 0~24V交直流 |
| 额定转速 | 0~50转/分钟 | 绝缘电阻 | ≥1000MΩ/500VDC | ≥1000MΩ/500VDC |
| 工作温度 | -30℃~80℃ | 导线规格 | 可定制 | 可定制 |
| 工作湿度 | 0~85% 相对湿度 | 导线长度 | 可定制 | |
| 接触材料 | 银-银 | 绝缘强度 | 2500VAC@50Hz,60秒 | |
| 外壳材料 | 铝合金 | 动态电阻变化值 | <0.03Ω | |
| 扭矩 | 2.5牛·米;每增加6环增加0.03牛·米 | |||
| 防护等级 | IP51~IP68 | |||
| 防腐等级 | C3、C4 | |||
非标定制可选项
以下特殊需求可定制。相应地,交货期将延长3至15天,成本将增加30%至50%。我们的大部分基础部件为标准模块化设计,可节省成本和交货时间。
让我们建立合作吧!
开始合作
如需上传文件,
请先点击验证
联系我们